Замкнутый герметичный контур в системах бытового охлаждения:
Первые шаги
Перед началом работы с любой системой охлаждения необходимо провести предварительный осмотр холодильного контура на наличие явных неисправностей:
- Замерить температуру фильтра-осушителя
- Замерить уровень шума мотора-компрессора
- Выяснить, справляется ли компрессор с отводом теплоты?
- Обратить внимание на наличие «намерзания» на испарителе.
- Определить производительность мотора-компрессора
- При нехватке хладагента (утечка) место входа хладагента в конденсатор теплое, место выхода – холодное
- При наличии большого количества инея на испарителе перенос теплоты через конденсатор сильно затрудняется
- При низкой производительности мотора-компрессора перенос теплоты затруднен.
Установка холодильной/морозильной камеры
Очень важно, чтобы холодильная/морозильная камера была установлена в том месте, где существует достаточное количество пространства для нормальной циркуляции воздушного потока. Этот выбор зависит от размеров холодильного агрегата и места его сборки. Следует избегать установки холодильника вблизи источников обильных тепловыделений.
Необходимо постоянно иметь доступ к стенке конденсатора для очистки от пыли. Не рекомендуется устанавливать холодильное устройство вплотную к стенке, так как это мешает циркуляции воздуха.
Управление двигателем
Все современные бытовые холодильники проектируются с некоторым запасом мощности. В силу этого обстоятельства, в обычных условиях они работают с перерывами. При достижении заданной температуры срабатывает термостатический датчик, и мотор-компрессор останавливается или запускается снова.
Существуют два различных типа управления включением и выключением двигателя:
- Температурный контроль двигателя (Термостатный)
- Запуск/отключение двигателя в зависимости от давления (сторона низкого давления)
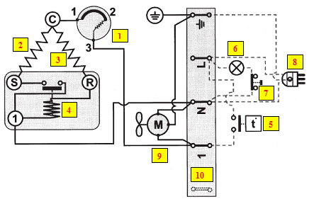
Пример электрической схемы температурного контроля двигателя

| 1 | Термостатический датчик на компрессоре | 6 | Лампочка холодильной камеры |
| 2 | Пусковая обмотка | 7 | Световой датчик, установленный на двери холодильника |
| 3 | Основная обмотка | 8 | Разъем для питания |
| 4 | Пускозащитное реле компрессора | 9 | Вентилятор конденсатора (опционально) |
| 5 | Термостат | 10 | Клеммная коробка |
Сборка термостата и реле компрессора
Пространственное расположение компонентов компрессора:

Термостатическое / температурное управление
В системах с температурным управлением двигателя установлен зонд, соединенный с помощью капиллярной трубки с перегородкой или гофрированной мембраной. В самом зонде содержится летучая жидкость, которая при нагревании расширяется, что ведёт к росту давления, а, соответственно, при охлаждении – наоборот. По мере остывания зонда давление падает и перегородка сужается. Перегородка соединяется с тумблером (переключатель), и после этого цепь замыкается. После полного остывания зонда диафрагма или гофрированная мембрана возвращается в исходное положение и цепь размыкается.
На многих холодильных установках предусмотрен ручной переключатель для включения и отключения системы охлаждения. В систему также может быть встроен предохранитель, который размыкает цепь при высоком напряжении.
Термостаты опционально могут соединяться с таймерами, контролирующими удаление «намерзания» инея на испарителе. Для бытовых холодильных устройств с морозильными камерами рекомендуются следующие рабочие температуры:
- Вход испарителя Tвв= от -25°C до -26°C;
- Выход испарителя Tвыв= -26°C.
Перед заменой компрессора рекомендуется проверить состояние термостатического датчика. Для этого следует закоротить термостат, чтобы компрессор получал прямую подачу тока. Если компрессор запустился, это значит, что термостат неисправен и его необходимо заменить на новый.
Для выполнения своей непосредственной функции термостатический датчик (последние 100 мм капиллярной трубки) должен плотно прилегать к поверхности испарителя.
Во время замены термостатического датчика необходимо убедиться, что компрессор работает в нормальном режиме. Время остановки должно быть достаточным для уравнивания давления в системе.
| Для измерения температуры внутри холодильной камеры следует использовать ртутный термометр и стакан воды. | ![]() |
| Испаритель не должен быть покрыт льдом полностью. Это затрудняет поглощение теплоты хладагентом из охлаждаемой области.Следует убедиться, что на поверхности испарителя находится небольшой слой инея и капли замерзшей воды. | ![]() |
| Следует настроить термостатический датчик на температуру, незначительно превышающую средние показатели. | ![]() |
| Чтобы проверить подключение термостатического датчика, следует сравнить показатели температуры самого датчика в режиме работы/остановки с данными из тех. паспорта, прилагаемого к холодильнику. | ![]() |
Работа системы охлаждения
![]() |
| Разгерметизация системы для контроля показателей температуры и давления, а также сбора хладагента. |
Для стабильной работы и длительного срока службы в герметичном замкнутом контуре системы охлаждения должно присутствовать минимальное количество примесей, то есть влаги, посторонних газов и пыли. Во время сервисных и ремонтных работ следует учитывать этот факт и принимать соответствующие меры. Перед проведением ремонтных работ, особенно если для этого требуется разгерметизация системы, стоит убедиться, что остальные компоненты контура полностью исправны и работоспособны.
Если первичный осмотр системы указывает на необходимость разгерметизации, следует выполнить следующее:
- Для отслеживания показателей температуры и/или давления и соединений датчиков, необходимо поместить прокалывающие щипцы, соединенные с шлангами хладагента, на питающую трубку компрессора (см. рис. 1)
- Для замены хладагента следует поместить щипцы (см. рис. 2) непосредственно на поверхность фильтра-осушителя (со стороны области высокого давления). Это позволяет собирать хладагент как со стороны нагнетания, так и со стороны всасывания. Кроме того, при механической блокировке капиллярной трубки хладагент переходит из области высокого давления в область с низким давлением.
После удаления хладагента из системы следует разрезать капиллярную трубку в области фильтра-осушителя (на расстоянии примерно 3 см от фильтра). Труборез следует применять осторожно, чтобы не деформировать трубку и избежать возникновения неровностей.
Если длина трубки конденсатора позволяет, при помощи трубореза можно отрезать и фильтр-осушитель.
Эта операция позволит удалить остатки влаги вместе с фильтром-осушителем.
Если длина трубки конденсатора не позволяет отделить фильтр-осушитель:
| В целях обеспечения безопасности необходимо с помощью трубореза перерезать фильтр в области вывода. Удалить фильтр и тщательно прочистить стальную трубку вывода конденсатора с помощью проволочной щетки. (1) Паяльная горелка (2) Фильтр-осушитель (3) Удаляемая часть фильтра (4) Кусачки (труборез) (5) Место обреза капиллярной трубки,описанное ранее |
![]() |
После этого к зажиму на питающей трубке подключается баллон с сухим азотом (N2).
Регулятор давления на баллоне с азотом устанавливается на показатель в 6 бар.
Через капиллярную трубку азот попадает в питающую трубку, компрессор, испаритель и конденсатор.
Продувка системы сухим азотом (N2)
Азот поступает в отрытую трубку конденсатора (ранее соединявшуюся с фильтром-осушителем) и капиллярную трубку. У обоих концов следует установить коллектор или держать тряпицы, т.к. оставшийся в компрессоре хладагент может выйти вместе с азотом. Азот продувает систему и «забирает» всю оставшуюся влагу. Процесс продувки также помогает устранить помехи внутри трубопровода.
Следует спланировать ремонтные работы так, чтобы система не находилась в разгерметизированном состоянии дольше 10-15 минут.
Сборка системы – герметизация
Во время сборки системы охлаждения не рекомендуется использовать автомобильные ниппели в связи с повышенным риском протечки.
Примечание: необходимо ликвидировать крупные утечки и обеспечить герметичность системы (холодильного контура) без использования резьбовых соединений.

Во время пайки фильтра-осушителя и капиллярной трубки, следует учитывать, что воздействие высокой температуры нежелательно для капиллярной трубки в связи с высоким риском оплавления, поэтому пламя горелки должно касаться только фильтра. Длина, на которую капиллярная трубка проникает в фильтр-осушитель, чрезвычайно важна для работы системы охлаждения.
Рекомендуется устанавливать фильтр с дополнительной питающей трубкой (в области высокого давления).
Для пайки медных материалов рекомендуется использовать прутки (твердый припой) с фосфором и содержанием серебра от 1,5 до 4%. Для соединения меди и стали необходимо использовать прутки (твердый припой) с серебром, покрытые флюсом или флюсовой пастой.
Необходимо тщательно чистить паяные швы металлической щеткой и проверять их состояние (внешний вид) с помощью специального зеркала.
Следует подключить соединительную муфту к стороне всасывания и нагнетания системы.
- Подключить установку сбора хладагента и нагнетания к заранее подключенным муфтам.
- Сторона всасывания
- Сторона нагнетания
- Подключить баллон с азотом к установке
Далее следует нагнетать давление в системе сухим азотом, удаляя газ из областей высокого и низкого давления, и довести давление в системе до значения в 6 бар.
Проверка на наличие утечек
Проводится:
- Путем закрытия всех клапанов и снятия показателей измерительных приборов. Для выявления мелких утечек может понадобиться поддерживать систему под давлением до 24 часов. Снижение давления в системе указывает на наличие утечек.
- С помощью мыльной воды и щетки. Следует нанести воду на паяные швы. Появление мыльных пузырей указывает на наличие утечек.
- Следует переносить все трубки аккуратно.
- Покрыть паяные швы лаком.
- Если в системе не обнаружено протечек, полностью откачать азот.
Вакуумизация и закачка хладагента в систему
Теперь можно произвести вакуумизацию и закачку системы. Для того чтобы свести содержание нежелательных газов и влаги в системе к минимуму, следует перед закачкой сделать очень тщательную вакуумизацию холодильного контура. Уровень вакуума проверяется с помощью специального измерителя.
Время вакуумизации:
- Время вакуумизации с одной части только нагнетательной трубки компрессора составляет 30 минут
- Минимальное время двухсторонней вакуумизации нагнетательной трубки компрессора и фильтра-осушителя составляет 15 минут.
Стабильность вакуума можно проверить, закрыв клапан вакуумного насоса. Если стрелка вакуумного манометра опускается, в системе возможна утечка или нарушены соединения шлангов сервисного оборудования к холодильной установке.
После достижения абсолютной вакуумизации следует закрыть клапан манометра и начинать закачку хладагента.
Количество необходимого хладагента на паспортной табличке указано в граммах или унциях.
Процесс закачки:
- Закачать треть необходимого количества газообразного хладагента в систему охлаждения.
- Включить компрессор.
- Медленно добавить оставшийся хладагент.
- Проверить показания измерителя и работу системы.
Герметизация системы
Сжать нагнетательную трубку (трубки) щипцами. Необходима точная настройка.- Спаять отверстия нагнетательных труб.
- Выждать, пока не затвердеет место спайки.
- Удалить щипцы.
- Пропаять место сжатия.
Проникающие клапаны
Одним из способов получения доступа внутрь герметичной системы является установка сервисных проникающих клапанов на всасывающей или на нагнетающей трубке (трубке, ведущей к конденсатору).
Проникающий клапан показан на рисунке ниже. Разработано множество вариантов исполнения таких устройств; они поставляются большинством известных производителей холодильного оборудования. Подобные клапаны предназначены для получения доступа в герметичные системы и необходимы для проведения технического обслуживания, но не должны использоваться в качестве постоянных клапанов.
Схема устройства проникающего клапана (резьбовое проникающее соединение)

Примеры проникающих клапано и вариантов установки
![]() |
![]() |
![]() |
|
Контрольные вопросы:
- В чём заключается предварительный осмотр системы бытового охлаждения?
- При каких неисправностях холодильного контура затрудняется перенос теплоты по системе?
- Почему холодильники работают с перерывами?
- Назначение термостатического датчика, установленного на компрессоре.
- Чем опасно увеличение длины капиллярной трубки внутри фильтра-осушителя?
- Как возможно быстро проверить систему на наличие утечек?
- Опишите процесс закачки хладагента.
- Зачем нужны проникающие клапаны?








